黑龙江铁盛工程检测有限公司
黑龙江省哈尔滨市松北区智谷大街2060号
hljtsjc@163.com
0451-51096995
首页
首页
关于我们
公司介绍
资质证件
体系认证
检测能力
业务范围
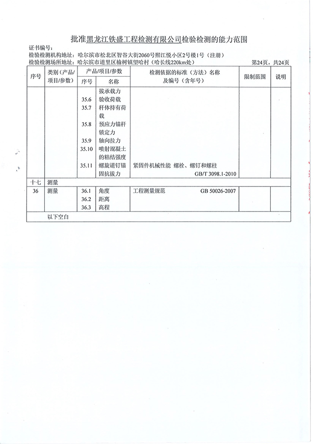
能力范围
仪器设备
检测业绩
铁路工程
公路工程
桥梁工程
隧道工程
建筑工程
相关规程
室外检测
室内检测
人才招聘
联系我们
Login
nickname
log out
首页 / 能力范围
关于我们
公司介绍
资质证件
体系认证
检测能力
业务范围
能力范围
仪器设备
相关规程
室外检测
室内检测
业务范围
能力范围
仪器设备
检验检测能力
公司始终坚持以科研与检测并举,拥有雄厚的科学研究和试验分析能力,专业配套齐全,技术力量雄厚,公司扎根铁路,与多所铁路院校建立技术科研合作。是多所院校的教学科研基地,新技术推广基地。
hrbcgsb@126.com
400-055-0808
传真 : 0451-86322238